○高梁市患者等搬送事業に対する指導及び認定に関する要綱
令和5年6月2日
消防本部告示第1号
(目的)
第1条 この要綱は、高梁市消防本部管轄区域内(以下「管轄区域内」という。)で民間による患者等の搬送事業を行う者に対し、必要な指導を行うとともに、一定の基準に適合する患者等搬送事業者の認定を行うことにより、患者等の生命及び身体の安全を図ることを目的とする。
(1) 患者等 寝たきり老人、身体障害者及び傷病者等をいう。
(2) 患者等搬送事業 患者等を搬送するために必要な構造及び設備を備えた専用自動車(以下「患者等搬送用自動車」という。)を使用し、患者等の搬送を実施する事業をいう。
(3) 患者等搬送事業者 患者等搬送事業を行う事業所の代表者又は管理責任者をいう。
(4) 乗務員 患者等搬送用自動車に乗務し、患者等搬送の業務に従事する者をいう。
(5) 認定事業者 第12条の規定により消防長から認定を受けた患者等搬送事業者をいう。
(指導)
第3条 消防長は、管轄区域内の患者等搬送事業者に対し、別表第1の指導基準により患者等の搬送業務が適正に行われるよう必要な指導を行うものとする。
(講習)
第4条 消防長は、乗務員に対し、患者等の搬送業務に必要な知識及び技術を習得させるため、次に掲げる講習を実施するものとし、そのカリキュラム等にあっては、別表第2のとおりとする。
(1) 患者等搬送乗務員基礎講習
(2) 患者等搬送乗務員基礎講習(車椅子専用)
(3) 患者等搬送乗務員定期講習
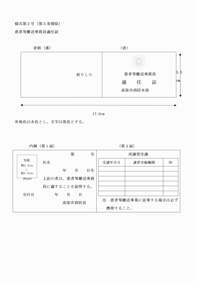
(適任証の有効期間)
第7条 適任証の有効期間は、交付の日から起算して2年間とする。ただし、第4条第1項第3号に規定する講習を受講した者については更に2年間有効とし、それ以後も同様とする。
(適任証の再交付)
第9条 消防長は、適任証を亡失し、滅失し、汚損し、又は破損した等の理由により、適任証の交付を受けた者から適任証再交付申請書(様式第5号)による申請があったときは、再交付することができる。
(認定)
第10条 消防長は、別表第4に定める認定基準に適合する患者等搬送事業者を、患者等の搬送に適する事業者として認定することができるものとする。
(認定の申請)
第11条 患者等搬送事業者は、認定又は更新を行おうとするときは、次の各号に掲げる書類を消防長に2部提出しなければならない。
(1) 患者等搬送事業者認定(更新)申請書(様式第6号)
(2) 乗務員名簿(様式第7号)
(3) 患者等搬送用自動車届(共通)(様式第8号)
(4) 患者等搬送自動車の自動車検査証の写し
(5) 別表第4の8の事業許可に係る国土交通大臣の許可証若しくは免許状又は自家用有償 旅客運送の登録に係る国土交通大臣の登録証の写し
(認定証の有効期間)
第14条 認定証の有効期間は、交付の日から起算して5年間とする。
(認定証の更新)
第15条 認定証の更新の申請期間は、認定の期間が満了する日の1箇月前から満了する日までの間とする。
(報告及び届出)
第18条 認定事業者は、患者等搬送事業の遂行にあたって事故が発生したときは、事故発生報告書(様式第15号)により速やかに消防長に報告しなければならない。
2 認定事業者は、患者等搬送事業の全部又は一部を休止したときは、休止届出書(様式第16号)により消防長に届け出なければならない。
3 認定事業者は、患者等搬送事業の全部又は一部を変更したときは、変更届出書(様式第17号)により消防長に届け出なければならない。
4 認定事業者は、患者等搬送事業の実態を的確に把握し、報告書(様式第18号)により消防長に報告しなければならない。
(認定の取消し)
第19条 消防長は、次の各号のいずれかに該当するときは、認定事業者に対して認定を取り消すことができる。
(1) この要綱に違反し、かつ、是正を指導しても改善しないとき。
(2) 患者等搬送事業の遂行にあたり、重大な事故を発生させたとき。
(3) その他認定を継続することが不適当と判断されたとき。
(認定の失効)
第20条 認定は、次の各号のいずれかに該当するときは、その効力を失うものとする。
(1) 道路運送法(昭和26年法律第183号)に定めるところにより、国土交通大臣の許可が取り消され、又は失効したとき。
(2) 患者等搬送事業を廃止したとき。
(3) 認定の有効期間が満了したとき。
(認定事業者の調査)
第22条 消防長は、認定事業者に対し、年1回以上、指導基準及び認定審査基準表における認定要件の履行状況について調査するものとする。
2 消防長は、前項の規定による調査結果から不適事項が認められたときは、指導基準及び認定基準に適合するよう指導するものとする。
(その他)
第23条 この要綱に定めるもののほか、必要な事項は、消防長が別に定める。
附則
この要綱は、公布の日から施行する。
別表第1(第3条関係)
患者等搬送事業指導基準
1 共通事項
項目 | 内容 |
1 基本原則 | (1) 患者等からの通報の適正処理及び患者等の搬送技能の向上に努めること。 (2) 生命に危険があり症状が悪化すると認められ緊急に医療機関その他の場所に搬送しなければならない患者等は搬送の対象としないこと。 (3) 搬送する患者等の症状の悪化防止に万全の配慮を行い搬送途上において症状が悪化し緊急やむを得ない場合は必要最小限度の応急手当を行うこと。 (4) 事業の社会的責任を十分自覚し関連法規を遵守すること。 |
2 消防機関への通報 | 次の各号のいずれかに該当する場合は、患者等の居る場所、症状、既往症及び掛かりつけの医療機関等を消防機関へ通報し、救急隊を要請すること。 (1) 患者等からの搬送依頼時において、依頼内容及び症状等の聴取結果から緊急に医療機関へ搬送する必要があると判断した場合。なお、この場合においては併せて乗務員を派遣すること。 (2) 患者等の居る場所への到着時において、症状等から緊急に医療機関へ搬送する必要があると判断した場合 (3) 患者等の搬送途上において、症状等から緊急に医療機関へ搬送する必要があると判断した場合 |
3 定期講習 | 乗務員の応急手当技能を適切に管理するため、適任証の交付を受けた乗務員に2年に1回以上定期講習を受講させること。 |
4 車両の外観 | 患者等搬送用自動車は、サイレン又は赤色警告灯を装備するなど、救急自動車と紛らわしい外観を呈していないこと。 |
5 消毒 | (1) 患者等搬送用自動車及び積載資器材は、次により消毒を行うこと。 ア 定期消毒 毎月1回以上 イ 使用後消毒 毎使用後 ウ 消毒の実施要領は別表第5によること。 ただし、医師等から消毒について特別の指示があった場合は、指示に基づいた消毒を行うこと。 (2) 定期消毒を行ったときは、その旨を消毒実施記録表(様式第21号)に記入し、患者等搬送用自動車の見やすい場所に表示すること。 |
6 衛生・安全管理 | (1) 患者等搬送用自動車及び積載資器材は、清潔保持に努めるとともに、点検整備を確実に行い、機能の適正保持に努めること。 (2) 搬送業務中は、患者及び同乗者等に安全ベルトを着装させるなど安全搬送のための措置を講ずること。 (3) 乗務員の服装は、患者等搬送業務を行うのにふさわしいものとし、清潔保持に努めること。 |
7 事業案内 | パンフレット等の事業案内には、消防機関の行う救急業務と同レベルの活動ができる業務又は直接に関連する業務であると誤解を招く表現はさけること。 |
8 車両表示 | 患者等搬送用自動車には別表第6の表示方法により民間患者等搬送車等の表示を行うこと。 |
2 ストレッチャー及び車椅子等を固定できる自動車による患者等搬送事業指導基準
項目 | 内容 |
1 乗務員の要件 | 患者等搬送用自動車の乗務員は、満18歳以上の者で、次の各号のいずれかに該当する者をもって充てること。 (1) 別表第2の患者等搬送乗務員基礎講習を修了し、適任証の交付を受けた者 (2) 特例認定者として適任証の交付を受けた者 |
2 適任証の携行 | 搬送業務に従事するときは、乗務員に適任証を携帯させること。 |
3 運行体制 | 搬送業務は、患者等搬送用自動車1台につき原則として2名以上の乗務員をもって行わせること。ただし、退院を目的とした運行をする場合又は医師若しくは看護師等が同乗する場合は、乗務員を1名とすることができる。 |
4 患者等搬送用自動車の要件 | 患者等搬送用自動車は、次の各号に掲げる構造及び設備を有するものであること。 (1) 患者等搬送に適した緩衝装置 (2) 患者等搬送に適した換気及び冷暖房の装置 (3) 乗務員が業務を行うために必要なスペースにストレッチャーが1台以上収容でき、かつ乗務員が業務を実施するために必要な容積を有し、室内の高さは、業務を行うのに支障のないものであること。 (4) ストレッチャー及び車椅子等を使用したまま確実に固定できる装置 (5) 携帯電話、無線機等の通信機器又は連絡に必要な設備 |
5 積載資器材 | 患者等搬送用自動車には、別表第7の患者等搬送用自動車に積載する資器材に掲げる患者等の応急手当に必要な救急資器材を備えること。 |
3 車椅子のみを固定できる自動車による患者等搬送事業指導基準
項目 | 内容 |
1 乗務員の要件 | 患者等搬送用自動車(車椅子専用)の乗務員は、満18歳以上の者で、次の各号のいずれかに該当する者をもって充てること。 (1) 別表第2の患者等搬送乗務員基礎講習(車椅子専用)を修了し、適任証の交付を受けた者 (2) 特例認定者として適任証の交付を受けた者 |
2 適任証の携行 | 搬送業務に従事するときは、乗務員に適任証(車椅子専用)を携帯させること。 |
3 運行体制 | 搬送業務は、患者等搬送用自動車(車椅子専用)1台につき1名以上の乗務員(車椅子専用)をもって行わせること。ただし、搬送中に容態急変の可能性が高い場合等については、医師等を同乗させる、又は乗務員(車椅子専用)数を2名以上とする等、対応に必要な体制を確保すること。 |
4 患者等搬送用自動車の要件 | 患者等搬送用自動車(車椅子専用)は、次の各号に掲げる構造及び設備を有するものであること。 (1) 患者等搬送に適した緩衝装置 (2) 患者等搬送に適した換気及び冷暖房の装置 (3) 乗務員が業務を行うために必要なスペースに車椅子が1台以上収容でき、かつ乗務員が業務を実施するために必要な容積を有し、室内の高さは、業務を行うのに支障のないものであること。 (4) 車椅子を使用したまま確実に固定できる装置 (5) 車椅子の乗降を容易にするための装置 (6) 携帯電話、無線機等の通信機器又は連絡に必要な設備 |
5 積載資器材 | 患者等搬送用自動車(車椅子専用)には、別表第7の患者等搬送用自動車に積載する資器材に掲げる患者等の応急手当に必要な救急資器材を備えること。 |
別表第2(第4条関係)
1 患者等搬送乗務員基礎講習
1 基礎講習カリキュラム | |||
講習科目 | 時間(1単位は45分、合計24単位) | ||
(1) 総論 | 1単位 | ||
(2) 観察要領及び応急処置 | 13単位 | ||
(3) 体位管理要領 | 2単位 | ||
(4) 消防機関との連携要領 | 2単位 | ||
(5) 車両資器材の消毒及び感染防止要領 | 2単位 | ||
(6) 搬送法 | 2単位 | ||
(7) 修了考査 | 2単位 | ||
2 合否の判定 | |||
考査科目 | 配点 | 合格点 | |
(1) 実技 | 観察要領 | 20点 | 16点以上 |
応急処置 | 40点 | 32点以上 | |
(2) 筆記 | 総論・消防機関との連携要領 | 20点 | 16点以上 |
車両資器材の消毒及び感染防止要領 | 20点 | 16点以上 | |
3 講師 次の各号のいずれかに該当する者をもって充てるものとする。 (1) 救急隊長として3年以上の実務経験及び応急手当指導員の資格を有した者で、消防長が適任と認めた者 (2) 救急救命士の資格を有する者で、消防長が適任と認めた者 (3) 消防大学校の救急科課程を修了した者で、消防長が適任と認めた者 | |||
4 その他 (1) 講習の受講資格は、満18歳以上とする。 (2) 各考査科目において合格点に満たない者は、再講習を行うものとする。 (3) 講習資料は、消防長が別途定める。 | |||
2 患者等搬送乗務員基礎講習(車椅子専用)
1 基礎講習カリキュラム | |||
講習科目 | 時間(1単位は45分、合計24単位) | ||
(1) 総論 | 1単位 | ||
(2) 観察要領及び応急処置 | 9単位 | ||
(3) 体位管理要領 | 1単位 | ||
(4) 消防機関との連携要領 | 2単位 | ||
(5) 車両資器材の消毒及び感染防止要領 | 1単位 | ||
(6) 搬送法 | 1単位 | ||
(7) 修了考査 | 1単位 | ||
2 合否の判定 | |||
考査科目 | 配点 | 合格点 | |
(1) 実技 | 観察要領 | 20点 | 16点以上 |
応急処置 | 40点 | 32点以上 | |
(2) 筆記 | 総論・消防機関との連携要領 | 20点 | 16点以上 |
車両資器材の消毒及び感染防止要領 | 20点 | 16点以上 | |
3 講師 次の各号のいずれかに該当する者をもって充てるものとする。 (1) 救急隊長として3年以上の実務経験及び応急手当指導員の資格を有した者で、消防長が適任と認めた者 (2) 救急救命士の資格を有する者で、消防長が適任と認めた者 (3) 消防大学校の救急科課程を修了した者で、消防長が適任と認めた者 | |||
4 その他 (1) 講習の受講資格は、満18歳以上とする。 (2) 各考査科目において合格点に満たない者は、再講習を行うものとする。 (3) 講習資料は、消防長が別途定める。 | |||
3 患者等搬送乗務員定期講習
1 定期講習カリキュラム | |
講習科目 | 時間(1単位は45分、合計4単位) |
(1) 総論・消防機関との連携要領 | 1単位 |
(2) 観察要領・体位管理・応急処置 | 3単位 |
2 講師 次の各号のいずれかに該当する者をもって充てるものとする。 (1) 救急隊長として3年以上の実務経験及び応急手当指導員の資格を有した者で、消防長が適任と認めた者 (2) 救急救命士の資格を有する者で、消防長が適任と認めた者 (3) 消防大学校の救急科課程を修了した者で、消防長が適任と認めた者 3 その他 講習資料は、消防長が別途定める。 | |
別表第3(第6条関係)
消防機関が実施する患者等搬送乗務員基礎講習を修了した者と同等以上の知識及び技能を有する者
分類 | |
1 | 救急救命士の資格を有する者及び消防法施行規則(昭和36年自治省令第6号)第51条に定める救急業務に関する講習課程を修了した者 |
2 | 日本赤十字社の行う応急処置に関する講習を受けた者で、資格の有効期間内のもの。ただし、患者等搬送乗務員基礎講習に不足する課目については、消防機関が実施する講習を受講すること。 |
3 | 上記1及び2に掲げる者以上の知識及び技能を有すると消防長が認めた者 |
別表第4(第10条関係)
認定基準
1 乗務員は満18歳以上の者で、適任証の交付を受けているものであること。 2 患者等搬送用自動車は、次に掲げる構造及び設備を有するものであること。 (1) 十分な緩衝装置を有すること。 (2) 換気及び冷暖房の装置を有するものであること。 (3) 乗務員が業務を行うために必要なスペースを有するものであること。 (4) ストレッチャー及び車椅子等を確実に固定できる構造であること。ただし、患者等搬送用自動車(車椅子専用)にあっては車椅子のみを確実に固定できる構造であること。 (5) 携帯電話、無線機等の通信機器又は連絡に必要な機器を設置しているものであること。 3 患者等搬送用自動車は、サイレン又は赤色警告灯を装備するなど、救急自動車と紛らわしい外観を呈していないこと。 4 患者等搬送用自動車には、患者等搬送用自動車である旨の表示がされていること。 5 患者等搬送用自動車には、応急手当に必要な資器材等を備えていること。 6 消毒実施記録表が、患者等搬送用自動車内の見やすい場所に表示されていること。 7 乗務員の服装は、患者等搬送業務にふさわしいもので、清潔さが保たれていること。 8 認定対象となる患者等搬送事業者は、道路運送法に定める次の者とする。 (1) 一般乗用旅客自動車運送事業の許可を受けた者 (2) 一般貸切旅客自動車運送事業の許可を受けた者 (3) 特定旅客自動車運送事業の許可を受けた者 (4) 自家用有償旅客運送の登録を受けた者 |
別表第5(第3条関係)
消毒の実施要領
1 消毒の区分及び使用上の注意
区分 | 薬品 | 適用(濃度)等 | 使用上の注意 |
薬剤消毒 | 塩化ベンザコニウム | 1 手指・皮膚…0.05~0.1% 2 器具類……0.1% 3 消毒液の作り方 濃度0.1%の消毒液1lを作成する場合 原液(10%)10mlに水990mlを加える。 | 1 結核菌に対しては、有効でない。 2 石けん類では殺菌効果を弱めるので、クレゾール石けん液との併用は避ける。 3 血液、汚物等の存在下では著しく効果が減少するので器具等に付着している場合は、十分に洗い落としてから使用すること。 4 合成ゴム製品、合成樹脂製品等への使用は避けることが望ましい。 |
クレゾール石けん液 | 1 手指・皮膚…0.05~1% 2 器具類………0.5~1% 3 排泄物………1.5% 4 消毒液の作り方 (1) 濃度1%の消毒液1lを作成する場合 原液(50%)20mlに水980mlを加える。 (2) 濃度1.5%の消毒液1lを作成する場合 原液(50%)30mlに水970mlを加える。 | 1 濃厚液が皮膚に付着した場合には、直ちに拭き取り石けん水と水でよく洗い落とす。 2 浄水で希釈すると次第に混濁して沈殿することがあるので、このような場合には上澄み液を使用する。 3 ウイルスに対しては有効でない。 | |
消毒用エタノール | 1 手指・皮膚…原液のまま 2 器具類…原液のまま | 1 希釈しないで使用する。 2 広範囲若しく長期間使用する場合には、蒸気の吸入に注意すること。 3 血液、膿汁等のたんぱく質を凝固させ、内部にまで浸透しないことがあるので、これらが付着している器具等に用いる場合には、十分に洗い落としてから使用すること。 4 手指、皮膚に使用する場合には、脱脂等による皮膚荒れを起こすことがある。 5 合成ゴム製品、合成樹脂製品等の器具は長時間浸漬しないこと。 | |
次亜塩素酸ナトリウム | 1 手指・皮膚…0.01~0.05% 2 器具類……0.02~0.05% 3 排泄物……0.1~1% 4 HBウイルス等 (1) 汚染……1% (2) 汚染(疑)…0.1~0.5% 5 消毒液の作り方 (1) 濃度1%の消毒液1lを作成する場合 原液(6%)167mlに水833mlを加える。 (2) 濃度0.5%の消毒液1lを作成する場合 原液(6%) 83mlに水917mlを加える。 (3) 濃度0.05%の消毒液1lを作成する場合 原液(6%)8mlに水992mlを加える。 | 1 血液、膿汁等は殺菌作用を減弱させるので、これらが付着している器具類に用いる場合には、十分に洗い落してから使用すること。 2 金属を腐食させるので、器具等に使用する場合には注意すること。 3 濃厚液が皮膚に付着した場合には、直ちに拭き取り石けん水と水でよく洗い流すこと。 4 結核菌に対しては、有効でない。 | |
その他の消毒 | 焼却 | 法定伝染病等の病原体により汚染された物件、器具等で消毒後再び供用する目的のないもの又は消毒費用に比較して安価なものは、焼却することが望ましい。 | |
日光消毒 | 衣類、毛布及び敷物等で上記の消毒法を実施できない場合は、薬剤消毒と併用して直射日光で消毒する。 |
2 消毒の実施要領
区分 | 血液、嘔吐等体液による汚染を受けた場合 | 左記以外の汚染の場合 |
資器材 | 1 消毒剤による清拭 2 流水による洗浄 3 消毒、滅菌 | 1 流水による洗浄 2 消毒剤による清拭 |
車内 | 1 消毒剤による清拭、噴霧消毒 2 流水による洗浄 | 1 流水による洗浄 2 消毒剤による清拭 |
その他 | 1 車内で、水漏れを避けなければならない場所は、消毒剤による清拭を行うものとする。 2 消毒実施時は、ディスポーザブルのビニール手袋などを着用する。 | |
別表第6(第3条関係)
患者等搬送用自動車の表示方法
1 文字は、塗装又はカッティングシール等による横書きとし、自動車の両側面及び後面に表示するものとする。 2 表示する文字は、「民間患者等搬送車」とし、文字の大きさは、縦横5cm以上とする。ただし、国土交通省で定める患者等輸送車における表示がある場合は、この限りでない。 3 患者等搬送用自動車認定マークは、自動車後面の見やすい位置とする。
|
別表第7(第3条関係)
患者等搬送用自動車積載資器材表
項目 | 資器材名 |
呼吸管理用資器材 | バッグバルブマスク ※1 ポケットマスク |
保温用等資器材 | 敷物 ※1 保温用毛布 担架 枕 ※1 |
創傷等保護用資器材 | 三角巾 ガーゼ 包帯 タオル 絆創膏 |
消毒用資器材(車両・資器材用) | 噴霧消毒器 各種消毒薬 |
その他の資器材 | はさみ マスク ピンセット ※1 手袋 手洗い用具 膿盆 汚物入れ 体温計 その他必要と認める物 AED ※2 |
1 患者等搬送用自動車(車椅子専用)の場合、※1に示す資器材は任意とする。
2 AED ※2については、全ての搬送車において任意とする。

































